基本情報技術者試験的な備忘録(加算器とxor)
パソコン素人です。
論理演算素人です。
基本情報技術者試験の問題・テキスト等を見て気になったメモです。
多分間違っているのであまり見ないで下さい。すみません。
(記載内容や参考にしたネット情報など問題がありましたら、早急に削除いたします。)
XOR(排他的論理和)というのがある。
A ・ B →A XOR B
偽 ・ 偽 →偽
偽 ・ 真 →真
真 ・ 偽 →真
真 ・ 真 →偽
(一方が、偽の場合、真)
ベン図だと以下の感じ。

何でこんなの必要なのと思っていた。
(NANDやNORは、それぞれANDとORの結果を反転なので分かるけど
・・・XORって意味あるか?)
このXORを使うのが、「半加算器」。
半加算器はこんな感じ。(2進数です。)

図の下の方の変なマーク(うまく書けていない)がXORの箇所。
で、Cはcarryで桁上がり。Sはsumで和(1桁目)を指し、1桁目に使う。
なるほど、1桁目の和(1+1)を0にするにはXORは便利。
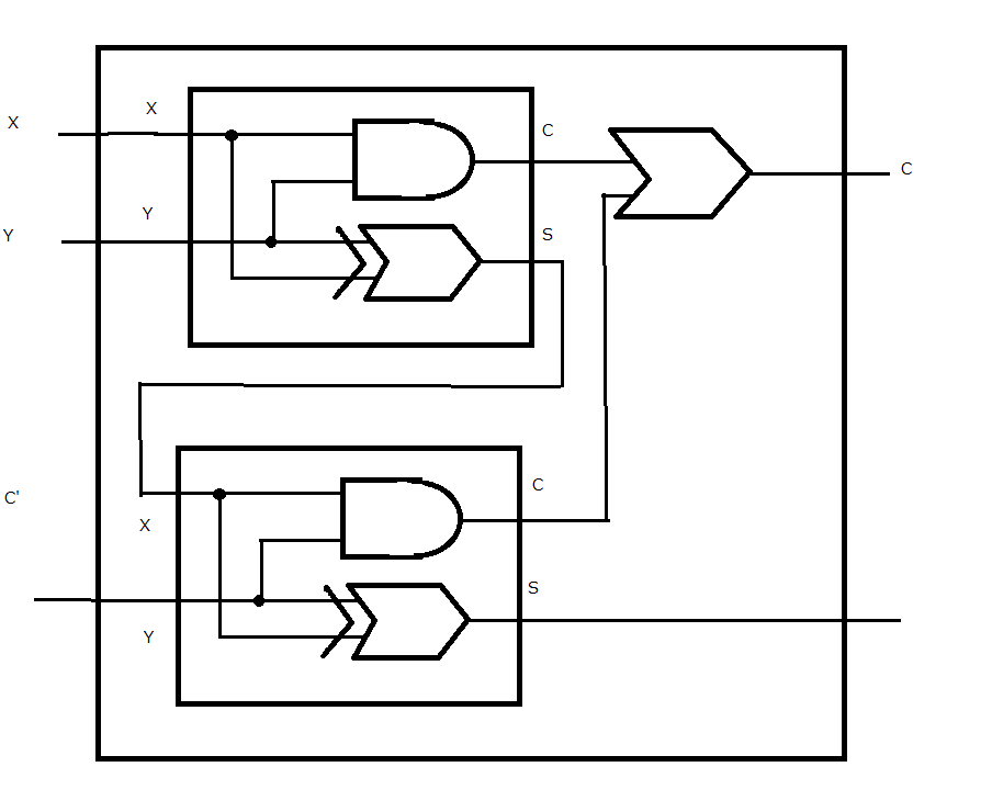
で、半加算器の次に、全加算器というのがある。
全加算器は、XYの入力以外に、Cという入力もある。
中味は半加算器をつないだもの。
Cは桁上がりしてきたものの処理に使う。
→全加算器を複数つなぐと2ケタ以上の計算ができる。
以下の感じ。

上下に2個つなげている。
下記のように1桁目に半加算器。2桁目以降全加算器にすると計算できる(らしい。)
H21年秋期午後問題問1設問3の図です。
これで4ビット(4桁の処理)が可能。
ちなみに減算は2の補数表現を足せばいい(らしい)。
